Borong Penggosok Basah Plat Siklon

  • Penggosok Basah Plat Siklon

Penggosok Basah Plat Siklon

Menara penyental siklon biasanya mempunyai badan menara silinder yang dilengkapi dengan plat penyekat lingkaran. Semasa operasi, gas serombong masuk dari bahagian bawah menara secara tangen dan mengalir ke atas. Dipandu oleh bilah plat penyekat, gas berputar ke atas, mengabuskan cecair yang mengalir ke bawah plat menjadi titisan halus. Ini mewujudkan kawasan sentuhan gas-cecair yang besar. Titisan tersebut dibawa oleh aliran gas dan berputar, menghasilkan daya emparan yang meningkatkan interaksi gas-cecair. Akhirnya, titisan dibuang ke dinding menara, mengalir ke bawah sepanjang dinding ke plat penyekat seterusnya, dan diatomkan semula oleh aliran gas untuk sentuhan selanjutnya. Seperti yang diterangkan, cecair mencapai sentuhan menyeluruh dengan gas sambil mengekalkan pengasingan yang berkesan—meminimumkan kemasukan kabus. Kapasiti beban gas-cecair sistem ini adalah lebih daripada dua kali ganda daripada plat penyekat konvensional.

Keadaan sentuhan gas-cecair menara yang sangat baik memastikan penyerapan gas buangan yang cekap oleh cecair beralkali. Selain itu, menara penyental siklon menunjukkan prestasi penyingkiran habuk yang unggul. Zarah habuk dalam gas ditangkap oleh kabus air pada plat penyekat lingkaran, dan zarah dan titisan yang dibuang ke dinding menara oleh daya emparan juga dialihkan dengan berkesan. Akibatnya, gas yang keluar dari menara membawa habuk dan titisan yang minimum. Kelajuan angin menara kosong berjulat antara 2.2–2.7 m/s.

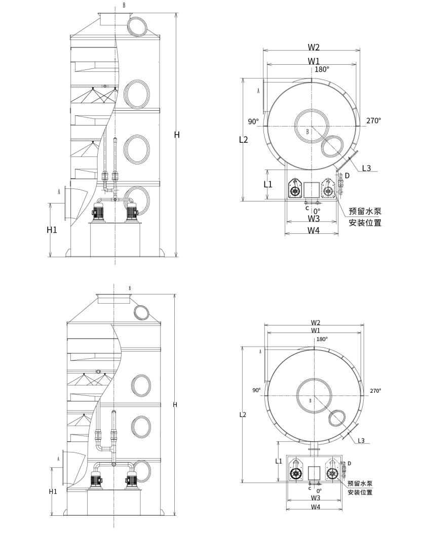
Struktur menara semburan pusaran:
Seperti yang ditunjukkan dalam rajah: Sistem penyental semburan yang dibungkus lengkap termasuk komponen berikut:

● Badan menara diperbuat daripada kepingan PP (polipropilena);

● Bingkai dibina dengan penyekat lingkaran PP;

● Sembur paip penyambung yang diperbuat daripada UPVC (polivinil klorida tidak plastik);

● muncung lingkaran PP;

● Pam edaran PP tahan kakisan;

● Lapisan demister (jenis mesh/siklon/sekat);

● Peranti penambahan air manual dan automatik;

● Limpahan dan paip saliran;

● Tetingkap pemeriksaan.

Parameter pemilihan menara plat siklon:
Untuk memastikan kemudahan dan keselamatan pengangkutan, menara penyental siklon PP dibahagikan kepada dua kategori spesifikasi:

Jenis 1: Penyental siklon tangki air bersepadu (Diameter menara: Φ1000mm-Φ2200mm)

Jenis 2: Penyental siklon tangki air jenis belah (diameter menara: Φ2500mm-Φ3500mm)


Model menara penyental siklon sepadan dengan kapasiti aliran udara:

Model Julat isipadu udara Saiz peranti Kuasa pam air Bilangan bilah pusaran Julat kelajuan angin Bahan peralatan
XL-600 0-2800m³/j Φ600×2950 0.75kw 2 0-2.76m/s PP/304/Q235/FRP
XL-800 3800-5000m³/j Φ800×3300 0.75kw 2 2.11-2.77m/s PP/304/Q235/FRP
XL-1000 6000-7500m³/j Φ1000×4380 1.5kw 2 2.13-2.66m/s PP/304/Q235/FRP
XL-1200 8500-11000m³/j Φ1200×4430 2.2kw 2 2.09-2.71m/s PP/304/Q235/FRP
XL-1500 14000-17000m³/j Φ1500×5000 3.75kw 2 2.2-2.68m/s PP/304/Q235/FRP
XL-1800 20000-25000m³/j Φ1800×5650 5.5kw 2 2.19-2.73m/s PP/304/Q235/FRP
XL-2000 25001-30000m³/j Φ2000×6200 5.5kw 2 2.21-2.66m/s PP/304/Q235/FRP
XL-2200 30001-37000m³/j Φ2200×6700 7.5kw 2 2.19-2.71m/s PP/304/Q235/FRP
XL-2500 40000-47000m³/j Φ2500×6850 7.5kw 2 2.27-2.66m/s PP/304/Q235/FRP
XL-2800 49000-58000m³/j Φ2800×7900 11kw 2 2.21-2.62m/s PP/304/Q235/FRP
XL-3000 58000-68000m³/j Φ3000×8000 11kw 2 2.28-2.67m/s PP/304/Q235/FRP
XL-3200 68000-78000m³/j Φ3200×8000 15kw 2 2.35-2.7m/s PP/304/Q235/FRP
XL-3500 78000-88000m³/j Φ3500×8000 15kw 2 2.25-2.54m/s PP/304/Q235/FRP

Nota: Reka bentuk bukan standard boleh dibuat mengikut kehendak pelanggan.

Gambar rajah pilihan:

Hangzhou Lvran Environmental Protection Group Co., Ltd.

  • 1000+

    Pelanggan unit perkhidmatan

  • 2000+

    Kes Kejuruteraan Kebangsaan

Hangzhou Lvran Environmental Protection Group Co., Ltd. ialah pembekal perkhidmatan kejuruteraan sistem rawatan gas sisa komprehensif dan pengeluar peralatan, menyepadukan R&D, perkhidmatan teknikal, reka bentuk, pengeluaran, pemasangan kejuruteraan dan perkhidmatan selepas jualan.

We are China Penggosok Basah Plat Siklon Suppliers and Wholesale Penggosok Basah Plat Siklon Exporter, Company. Kumpulan ialah perusahaan teknologi tinggi negara, perusahaan sains dan teknologi Wilayah Zhejiang, pusat R&D serantau, dan unit kredit bertaraf AAA. Ia memegang lebih 30 paten model utiliti, banyak paten ciptaan, dan hak cipta perisian. Kumpulan mempunyai kerjasama R&D teknikal yang telah lama terjalin dengan universiti dan institusi domestik, termasuk "Pusat R&D Inovasi Alam Sekitar" yang ditubuhkan dengan Universiti Sains dan Teknologi Anhui dan "Pusat R&D Teknologi Baharu Tenaga Plasma dan Alam Sekitar" yang dibangunkan bersama dengan Zhejiang Sci-Tech University. Kumpulan telah menubuhkan R&D dan pangkalan pengeluarannya sendiri untuk kerjasama teknikal yang mendalam. Kumpulan ini memiliki teknologi rawatan gas teras VOC, memegang kelayakan kontrak am Tahap 2 untuk pembinaan kerja awam perbandaran, lesen pengeluaran keselamatan, kelayakan reka bentuk khas Kelas B untuk kawalan pencemaran alam sekitar di Wilayah Zhejiang, kelayakan perkhidmatan buruh tidak terperingkat, dan kontrak khusus untuk projek khas. Kumpulan diperakui ISO9001 untuk kualiti antarabangsa, ISO14001 untuk pengurusan alam sekitar, dan ISO45001 untuk kesihatan dan keselamatan pekerjaan.

KEPUJIAN & SIJIL

Penghormatan berikut mewakili kecemerlangan kami. Kami memenangi pelanggan dengan produk berkualiti tinggi dan memenangi pujian tinggi daripada pasaran dan semua lapisan masyarakat dengan perkhidmatan yang baik.

  • Unit asas medan elektrik tinggi jenis plat dan reaktor untuk mengelakkan kebocoran di sepanjang permukaan
  • Peranti tindak balas untuk mensintesis metanol menggunakan karbon dioksida dan air dan kaedah untuk mensintesis metanol menggunakan karbon dioksida dan air
  • Precipitator elektrostatik pembersihan sendiri
  • Kipas tekanan tinggi tahan kakisan dengan fungsi pelarasan arah angin
  • Kipas berkapasiti tinggi boleh laras membersihkan diri
  • Sistem kawalan pra-rawatan gasifikasi gasifikasi bermangkin gabungan
  • Pembersihan wap berterusan medan elektrostatik pembersihan gas ekzos dan sistem rawatan
  • Sistem peralatan penulenan gas ekzos fotolisis UV plasma suhu rendah
  • Sijil pendaftaran tanda dagangan
Berita dan Peristiwa Baru-baru ini
Kongsi dengan anda
Lihat Lagi Berita