Borong Penggosok kimia

  • Penggosok kimia

Penggosok kimia

Penyental kimia ialah penapis penyental termaju. Ia menggunakan struktur khas dan luas permukaan khusus yang besar bagi pembungkusan biasa sebagai pemindahan jisim dan pembungkusan dehidrasi. Pada masa yang sama, mengikut komponen penyebab bau yang berbeza dalam bau, asid, alkali dan oksidan yang sepadan digunakan sebagai cecair pencuci penyerapan untuk menghilangkan bau dalam ruang dan menghapuskan kesan ke atas persekitaran sekeliling.

Aliran udara berbau diangkut melalui saluran udara dan memasuki menara dari salur masuk menara. Selepas memasuki menara, ia melalui lapisan pembungkusan dari bawah ke atas, dan akhirnya dilepaskan dari saluran paip atas menara melalui kipas anti-karat. Penyelesaian peneutralan melalui pemisah cecair di bahagian atas menara, semburan sama rata ke dalam lapisan pembungkus, mengalir ke bawah sepanjang permukaan lapisan pembungkusan sehingga ia dilepaskan dari bahagian bawah menara melalui saluran paip, dan diedarkan oleh pam edaran anti-karat. Apabila kepekatan zat terlarut dalam aliran udara meningkat menjadi lebih rendah dan lebih rendah, fungsi penulenan dicapai apabila ia mencapai puncak menara, dan ia dilepaskan atau terus disucikan melalui langkah seterusnya. Sebaliknya, kepekatan medium dalam cecair menurun menjadi lebih tinggi dan lebih tinggi, dan ia mencapai keadaan proses apabila ia mencapai bahagian bawah menara dan dilepaskan dari menara.

Kelebihan menara pembungkus semburan: Ia mempunyai kecekapan tinggi, kapasiti pegangan cecair kecil, ringan, dan operasi mudah, yang membolehkan pekerja bermula dengan segera. Pengisi boleh dipilih mengikut keadaan kerja yang disediakan oleh pelanggan. Terdapat banyak jenis, dan cincin bola tahan kakisan biasanya digunakan. Walau bagaimanapun, perlu diingatkan bahawa bahan terampai pepejal boleh menyumbat pengisi kerana diameter zarahnya yang besar, jadi ia secara amnya tidak sesuai untuk rawatan bahan pepejal. Contohnya, NH₃, HCl, H₂S, nitrogen oksida dan gas sisa organik yang dijana oleh kilang boleh dirawat dengan berkesan dengan peralatan ini.

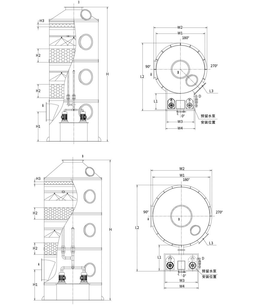
Struktur penyental kimia:
Seperti yang ditunjukkan dalam rajah: Sistem penyental semburan yang dibungkus lengkap termasuk komponen berikut:

1. Badan menara diperbuat daripada kepingan PP (polipropilena);

2. Bingkai sokongan pembungkusan diperbuat daripada panel parut PP;

3. Sembur paip penyambung yang diperbuat daripada UPVC;

4. muncung lingkaran PP;

5. Bola berongga atau pembungkusan cincin Pall;

6. Pam edaran PP tahan kakisan;

7. Lapisan demister mesh;

8. Peranti penambahan air manual dan automatik;

9. Paip limpahan dan saliran;

10. Tingkap pemeriksaan.

Pemilihan penyental kimia:
Jadual Parameter Teknikal Penyental Sembur Berbungkus

Untuk memastikan kemudahan dan keselamatan pengangkutan, penyental semburan yang dibungkus PP dibahagikan kepada dua jenis:

Jenis 1: Penyental semburan yang dibungkus tangki air bersepadu (diameter menara: Φ1000mm-Φ2200mm)

Jenis 2: Penyental semburan berbungkus tangki air jenis belah (diameter menara: Φ2500mm-Φ3500mm)


Spesifikasi Model Sepadan dengan Kapasiti Aliran Udara:

Model Isipadu udara Saiz peranti Kuasa pam air Ketebalan pengisian Kelajuan angin Bahan peralatan
LRTL-600 0-1500m³/j Φ600x3000 0.75kw 500*2 1.48m/s PP/304/Q235/FRP
LRTL-800 1501-2500m³/j Φ800x3000 0.75kw 500*2 1.39m/s PP/304/Q235/FRP
LRTL-1000 2501-4000m³/j Φ1000x5000 1.5kw 500*2 1.42m/s PP/304/Q235/FRP
LRTL-1200 4001-6000m³/j Φ1200x5000 2.2kw 500*2 1.48m/s PP/304/Q235/FRP
LRTL-1500 6001-9500m³/j Φ1500x5000 3.75kw 500*2 1.5m/s PP/304/Q235/FRP
LRTL-1800 9501-14000m³/j Φ1800x5000 5.5kw 500*2 1.53m/s PP/304/Q235/FRP
LRTL-2000 14001-17000m³/j Φ2000x6000 5.5kw 500*2 1.5m/s PP/304/Q235/FRP
LRTL-2200 17001-20000m³/j Φ2200x6000 7.5kw 500*2 1.46m/s PP/304/Q235/FRP
LRTL-2500 20001-27000m³/j Φ2500x6000 7.5kw 500*2 1.53m/s PP/304/Q235/FRP
LRTL-2800 27001-33000m³/j Φ2800x6000 15kw 500*2 1.49m/s PP/304/Q235/FRP
LRTL-3000 33001-38000m³/j Φ3000x6800 15kw 500*2 1.49m/s PP/304/Q235/FRP
LRTL-3200 38001-44000m³/j Φ3200x6800 15kw 500*2 1.52m/s PP/304/Q235/FRP
LRTL-3500 44001-55000m³/j Φ3500x6800 15kw 500*2 1.5m/s PP/304/Q235/FRP

Nota: Reka bentuk bukan standard boleh disesuaikan mengikut keperluan pelanggan.

Gambar rajah pilihan:

Hangzhou Lvran Environmental Protection Group Co., Ltd.

  • 1000+

    Pelanggan unit perkhidmatan

  • 2000+

    Kes Kejuruteraan Kebangsaan

Hangzhou Lvran Environmental Protection Group Co., Ltd. ialah pembekal perkhidmatan kejuruteraan sistem rawatan gas sisa komprehensif dan pengeluar peralatan, menyepadukan R&D, perkhidmatan teknikal, reka bentuk, pengeluaran, pemasangan kejuruteraan dan perkhidmatan selepas jualan.

We are China Penggosok kimia Suppliers and Wholesale Penggosok kimia Exporter, Company. Kumpulan ialah perusahaan teknologi tinggi negara, perusahaan sains dan teknologi Wilayah Zhejiang, pusat R&D serantau, dan unit kredit bertaraf AAA. Ia memegang lebih 30 paten model utiliti, banyak paten ciptaan, dan hak cipta perisian. Kumpulan mempunyai kerjasama R&D teknikal yang telah lama terjalin dengan universiti dan institusi domestik, termasuk "Pusat R&D Inovasi Alam Sekitar" yang ditubuhkan dengan Universiti Sains dan Teknologi Anhui dan "Pusat R&D Teknologi Baharu Tenaga Plasma dan Alam Sekitar" yang dibangunkan bersama dengan Zhejiang Sci-Tech University. Kumpulan telah menubuhkan R&D dan pangkalan pengeluarannya sendiri untuk kerjasama teknikal yang mendalam. Kumpulan ini memiliki teknologi rawatan gas teras VOC, memegang kelayakan kontrak am Tahap 2 untuk pembinaan kerja awam perbandaran, lesen pengeluaran keselamatan, kelayakan reka bentuk khas Kelas B untuk kawalan pencemaran alam sekitar di Wilayah Zhejiang, kelayakan perkhidmatan buruh tidak terperingkat, dan kontrak khusus untuk projek khas. Kumpulan diperakui ISO9001 untuk kualiti antarabangsa, ISO14001 untuk pengurusan alam sekitar, dan ISO45001 untuk kesihatan dan keselamatan pekerjaan.

KEPUJIAN & SIJIL

Penghormatan berikut mewakili kecemerlangan kami. Kami memenangi pelanggan dengan produk berkualiti tinggi dan memenangi pujian tinggi daripada pasaran dan semua lapisan masyarakat dengan perkhidmatan yang baik.

  • Unit asas medan elektrik tinggi jenis plat dan reaktor untuk mengelakkan kebocoran di sepanjang permukaan
  • Peranti tindak balas untuk mensintesis metanol menggunakan karbon dioksida dan air dan kaedah untuk mensintesis metanol menggunakan karbon dioksida dan air
  • Precipitator elektrostatik pembersihan sendiri
  • Kipas tekanan tinggi tahan kakisan dengan fungsi pelarasan arah angin
  • Kipas berkapasiti tinggi boleh laras membersihkan diri
  • Sistem kawalan pra-rawatan gasifikasi gasifikasi bermangkin gabungan
  • Pembersihan wap berterusan medan elektrostatik pembersihan gas ekzos dan sistem rawatan
  • Sistem peralatan penulenan gas ekzos fotolisis UV plasma suhu rendah
  • Sijil pendaftaran tanda dagangan
Berita dan Peristiwa Baru-baru ini
Kongsi dengan anda
Lihat Lagi Berita