Borong Menara semburan keluli tahan karat 316L

RUMAH / PRODUK / Peralatan rawatan gas sisa asid dan alkali / 304 menara padat / Menara semburan keluli tahan karat 316L
  • Menara semburan keluli tahan karat 316L
  • Menara semburan keluli tahan karat 316L
  • Menara semburan keluli tahan karat 316L
  • Menara semburan keluli tahan karat 316L
  • Menara semburan keluli tahan karat 316L
  • Menara semburan keluli tahan karat 316L

Menara semburan keluli tahan karat 316L

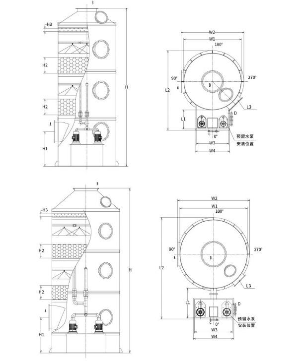
Prinsip Operasi Menara Sembur Keluli Tahan Karat 316L dan Persekitaran Gas Berkenaan

I. Prinsip Operasi (Sama seperti Proses Menara PP/PPH, tetapi Bahan dan Keadaan Operasi Berbeza)
1. Gas ekzos memasuki menara secara tangen, naik melalui bahagian penyamaan ke bahagian pembungkusan/semburan;
2. Muncung 316L di bahagian atas menara mengabuskan NaOH, H₂SO₄, atau larutan kimia lain ke dalam titisan, yang bersentuhan berlawanan dengan gas;
3. Filem cecair terbentuk pada permukaan gelang Pall 316L atau pembungkusan gelang berperingkat, menyingkirkan bahan pencemar melalui penyerapan, pelarutan, peneutralan atau tindak balas redoks;
4. Gas tulen yang mengandungi titisan berterusan melalui jaringan dawai 316L atau penghancur penyekat, di mana ia dehidrasi dan dilepaskan ke keadaan standard;
5. Cecair sisa dikumpul dalam tangki edaran 316L di bahagian bawah menara. Selepas dos automatik dan penapisan, ia dikitar semula oleh pam 316L sehingga ia memenuhi piawaian pelepasan atau disumber luar untuk rawatan.

2. Kelebihan Bahan 316L
• Mengandungi 23% Mo, menawarkan lebih 30% rintangan lebih tinggi terhadap kakisan pitting dan celah Cl⁻ daripada 304;
• Boleh menahan penggunaan jangka panjang dalam gas ekzos suhu tinggi pada 80-150°C tanpa ubah bentuk atau penuaan;
• Kekuatan mekanikal yang tinggi, mampu menahan turun naik tekanan melebihi ±5 kPa, menjadikannya sesuai untuk sistem draf teraruh tekanan tinggi.

III. Persekitaran Gas Berkenaan Biasa
| Industri | Contoh Media Gas | Ciri |
| Kimia/Farmaseutikal | HCl, Cl₂, SO₂, HF, H₂S | Kepekatan tinggi, sangat menghakis, mengandungi halogen |
| Penyaduran/Penjerukan | Kabus asid kromik, hidrogen sianida, kabus asid nitrik | Mengandungi ion logam berat, sangat mengoksida |
| Pembakaran Sisa | HCl SO₂ Campuran gas HF, prekursor dioksin | Suhu tinggi, kelembapan tinggi, komposisi kompleks |
| Metalurgi/Elektronik | NOₓ, ammonia, silane, fosfin | Debu yang mengandungi fluorin dan silikon serta asid dan alkali yang kuat |
| Makmal | Gas ekzos campuran asid-bes, wap pelarut organik | Turun naik kepekatan yang besar, pelepasan sekejap |

IV. Perbandingan dengan Pemilihan Menara PP/PPH
• Suhu > 60°C atau mengandungi fluorin atau ion klorida tinggi → Pilih 316L;
• Mengandungi asid hidrofluorik atau asid sulfurik pekat suhu tinggi → Naik taraf kepada 904L atau Hastelloy;
• Untuk projek asid lemah dan alkali suhu bilik atau sensitif kos, pilih PP/PPH.

Menara semburan keluli tahan karat 316L menggunakan mekanisme pemindahan jisim pembungkusan semburan berlawanan, mengekalkan kecekapan penulenan ≥95% dan hayat perkhidmatan lebih sepuluh tahun walaupun dalam senario gas buangan bersuhu tinggi, berklorida tinggi, sangat mengoksida atau sangat mengurangkan. Ia adalah pilihan utama untuk merawat gas sisa menghakis dalam industri seperti kimia, penyaduran elektrik dan pembakaran sisa.

Pemilihan Scrubber Kimia
Jadual Spesifikasi Teknikal untuk Penyental Sembur Berbungkus
Untuk kemudahan dan keselamatan pengangkutan, penyental semburan yang dibungkus PP dikategorikan kepada dua jenis:
Jenis 1: Penyental Sembur Berbungkus Tangki Bersepadu (Diameter Menara: Φ1000mm–Φ2200mm)
Jenis 2: Penyental semburan berbungkus tangki air jenis belah (diameter menara: Φ2500mm–Φ3500mm)
Kapasiti Aliran Udara Model Sepadan untuk Menara Berbungkus:

Model Kapasiti Aliran Udara (m³/j) Dimensi Peralatan Kuasa Pam Ketebalan pembungkusan Kelajuan angin Bahan Peralatan
LRTL-600 0 - 1500m³/j Φ600×3000 0.75kw 500*2 1.48m/s PP/304/Q235/FRP
LRTL-800 1501 - 2500m³/j Φ800×3000 0.75kw 500*2 1.39m/s PP/304/Q235/FRP
LRTL-1000 2501 - 4000m³/j Φ1000×5000 1.5kw 500*2 1.42m/s PP/304/Q235/FRP
LRTL-1200 4001 - 6000m³/j Φ1200×5000 2.2kw 500*2 1.48m/s PP/304/Q235/FRP
LRTL-1500 6001 - 9500m³/j Φ1500×5000 3.75kw 500*2 1.5m/s PP/304/Q235/FRP
LRTL-1800 9501 - 14000m³/j Φ1800×5000 5.5kw 500*2 1.53m/s PP/304/Q235/FRP
LRTL-2000 14001 - 17000m³/j Φ2000×6000 5.5kw 500*2 1.5m/s PP/304/Q235/FRP
LRTL-2200 17001 - 20000m³/j Φ2200×6000 7.5kw 500*2 1.46m/s PP/304/Q235/FRP
LRTL-2500 20001 - 27000m³/j Φ2500×6000 7.5kw 500*2 1.53m/s PP/304/Q235/FRP
LRTL-2800 27001 - 33000m³/j Φ2800×6000 15kw 500*2 1.49m/s PP/304/Q235/FRP
LRTL-3000 33001 - 38000m³/j Φ3000×6800 15kw 500*2 1.49m/s PP/304/Q235/FRP
LRTL-3200 38001 - 44000m³/j Φ3200×6800 15kw 500*2 1.52m/s PP/304/Q235/FRP
LRTL-3500 44001 - 55000m³/j Φ3500×6800 15kw 500*2 1.5m/s PP/304/Q235/FRP

Nota: Reka bentuk tersuai boleh disediakan atas permintaan pelanggan.

Gambarajah Pilihan:

Hangzhou Lvran Environmental Protection Group Co., Ltd.

  • 1000+

    Pelanggan unit perkhidmatan

  • 2000+

    Kes Kejuruteraan Kebangsaan

Hangzhou Lvran Environmental Protection Group Co., Ltd. ialah pembekal perkhidmatan kejuruteraan sistem rawatan gas sisa komprehensif dan pengeluar peralatan, menyepadukan R&D, perkhidmatan teknikal, reka bentuk, pengeluaran, pemasangan kejuruteraan dan perkhidmatan selepas jualan.

We are China Menara semburan keluli tahan karat 316L Suppliers and Wholesale Menara semburan keluli tahan karat 316L Exporter, Company. Kumpulan ialah perusahaan teknologi tinggi negara, perusahaan sains dan teknologi Wilayah Zhejiang, pusat R&D serantau, dan unit kredit bertaraf AAA. Ia memegang lebih 30 paten model utiliti, banyak paten ciptaan, dan hak cipta perisian. Kumpulan mempunyai kerjasama R&D teknikal yang telah lama terjalin dengan universiti dan institusi domestik, termasuk "Pusat R&D Inovasi Alam Sekitar" yang ditubuhkan dengan Universiti Sains dan Teknologi Anhui dan "Pusat R&D Teknologi Baharu Tenaga Plasma dan Alam Sekitar" yang dibangunkan bersama dengan Zhejiang Sci-Tech University. Kumpulan telah menubuhkan R&D dan pangkalan pengeluarannya sendiri untuk kerjasama teknikal yang mendalam. Kumpulan ini memiliki teknologi rawatan gas teras VOC, memegang kelayakan kontrak am Tahap 2 untuk pembinaan kerja awam perbandaran, lesen pengeluaran keselamatan, kelayakan reka bentuk khas Kelas B untuk kawalan pencemaran alam sekitar di Wilayah Zhejiang, kelayakan perkhidmatan buruh tidak terperingkat, dan kontrak khusus untuk projek khas. Kumpulan diperakui ISO9001 untuk kualiti antarabangsa, ISO14001 untuk pengurusan alam sekitar, dan ISO45001 untuk kesihatan dan keselamatan pekerjaan.

KEPUJIAN & SIJIL

Penghormatan berikut mewakili kecemerlangan kami. Kami memenangi pelanggan dengan produk berkualiti tinggi dan memenangi pujian tinggi daripada pasaran dan semua lapisan masyarakat dengan perkhidmatan yang baik.

  • Unit asas medan elektrik tinggi jenis plat dan reaktor untuk mengelakkan kebocoran di sepanjang permukaan
  • Peranti tindak balas untuk mensintesis metanol menggunakan karbon dioksida dan air dan kaedah untuk mensintesis metanol menggunakan karbon dioksida dan air
  • Precipitator elektrostatik pembersihan sendiri
  • Kipas tekanan tinggi tahan kakisan dengan fungsi pelarasan arah angin
  • Kipas berkapasiti tinggi boleh laras membersihkan diri
  • Sistem kawalan pra-rawatan gasifikasi gasifikasi bermangkin gabungan
  • Pembersihan wap berterusan medan elektrostatik pembersihan gas ekzos dan sistem rawatan
  • Sistem peralatan penulenan gas ekzos fotolisis UV plasma suhu rendah
  • Sijil pendaftaran tanda dagangan
Berita dan Peristiwa Baru-baru ini
Kongsi dengan anda
Lihat Lagi Berita